冷弯成型机应用方案
工作原理
钢筋笼滚焊机是一种数控加工钢筋笼的设备,根据施工要求,钢筋笼的主筋通过人工穿入固定旋转盘和移动旋转盘的相应孔中进行固定,把盘筋(绕筋)端头先焊接在一根主筋上,然后通过固定旋转盘及移动旋转盘转动把绕筋缠绕在主筋上(移动盘是一边旋转一边后移)进行焊接,从而形成产品钢筋笼。此设备生产效率高,在管桩、建筑工程、筑路工程、桥梁工程等领域有着广泛的应用。
工艺流程
钢筋笼滚焊机一般由拖动底座、移动旋转盘、固定旋转盘组成。
拖动底座以一恒定速度前后移动,移动旋转盘搭载在底座上,负责输送钢筋绕筋,固定旋转盘负责钢筋笼的旋转。
起始焊接:在钢筋笼的头部,固定旋转盘和移动旋转盘同步旋转运行,将盘筋连续绕几圈,然后与主筋焊接牢固。
正式开始焊接:固定旋转盘和移动旋转盘同步运行,移动旋转盘同时向前移动,这样盘筋自动缠绕在钢筋笼主筋上,同时进行焊接。
终止焊接:在钢筋笼的尾部,移动盘和固定盘继续旋转,暂停焊接,将盘筋并排绕几圈,然后将盘筋端头焊接在主筋上固定,完成焊接。
工艺流程
由于钢筋笼滚焊机的以上工作特点,变频器在应用上有以下要求:
1. 启停时间要快,由于负载惯量小,在没有配备制动电阻的情况下,需要实现0.7 s内快速启停;
2. 低频力矩要大,拖动底座移动缓慢,配置700:1的减速机,变频器长时间工作在低频段;
3. 设备防尘及环境适应能力要强,建筑施工现场露天,粉尘很重,夏季工作环境温度高,冬季工作环境温度低。
4. 485通讯响应速度快、稳定,系统采用触摸屏-PLC-变频器控制系统,要求在通讯过程中稳定不丢包,响应迅速。
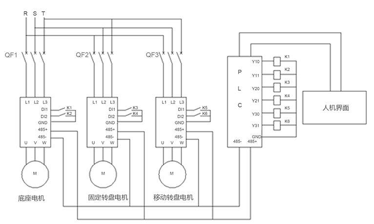
系统方案
以珠海某建筑工地现场为例,现场拖动底座用G1-4T0022G驱动,固定旋转盘和移动旋转盘分别用两台G1-4T0055G/0075P驱动。
相关解决方案
邮箱:sales@huayuan-elec.com service@huayuan-elec.com
传真:0755-23505661
深圳市宝安区松岗街道沙浦社区松江路6号科创工坊2栋
