设备简介
地坪研磨机是集快速密封固化剂地坪、硬化地坪、环氧地坪处理、石材翻新、混凝土整平、打磨、抛光等不同工艺于一体的多功能机器设备,主要由以下几部分组成:
(1)机架:机架扶手、机架把手、抬杆等;
(2)操作台:控制面板、启停按钮、运行指示灯;
(3)全铝合金传动齿轮箱:磨盘、磨片、配重,根据磨头类型可分为双向四磨头、行星三磨头、双向二磨头,可通过变频器进行无极调速,满足不同硬度的研磨要求;
(4)三相异步电动机;
(5)电控箱:变频器、散热风扇;
(6)水箱:水磨机配置。
根据基面情况可选择打磨方式,如干磨或水磨,采用干磨要确保机器水箱内无用水残留(有的干磨机型不配置水箱),且配置工业吸尘器;采用水磨时,应先将水箱内注入干净的施工用水,但请勿注入太满,防止溢出。
工艺要求
地坪研磨机通过电机带动磨盘的转动,再结合机器自身的重力,来驱使磨片对地面进行研磨,以达到地面抛光平整的目的。传统的调速方式采用齿轮变速,操作复杂,不能灵活调速。采用变频调速技术,操作简单,速度稳定,更好的满足粗磨、精磨的要求。
(1)调速范围宽,稳速精度高;
(2)低频力矩大;
(3)过载能力强;
(4)电压适应性好,防护等级高,抗震性好。
应用方案
本方案采用G1系列矢量型通用变频器,结合客户现场的实际使用情况,变频器选型上放大一档,即11kW电动机配置15kW变频器。
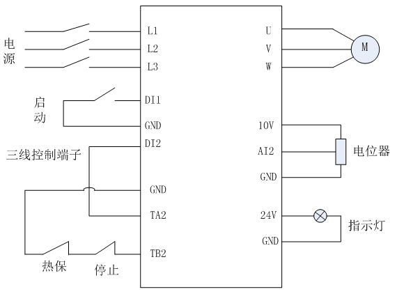
系统接线图如下:
(1)外部端子启停,三线模式控制,增加“急停”按钮; (2)外接电位器调速:电位器可引到操作台上,方便客户随时调整速度;
(3)变频器24V电源提供运行指示灯和电柜散热风扇电源,简化布线;
(4)电动机过载保护;
邮箱:sales@huayuan-elec.com service@huayuan-elec.com
传真:0755-23505661
深圳市宝安区松岗街道沙浦社区松江路6号科创工坊2栋
