【概述】 本文以恒压供水系统的工作特性为例,对比了传统供水与变频恒压供水系统之间的差异,详细介绍了华远电气G1变频器在恒压供水系统上的应用。该系统自带工、变频切换功能,能根据水压的变化自动调节水泵转速,使整个系统自动保持高效稳定运行,且能有效的消除管道中“水锤效应”的影响。系统安装维护方便,调试简单,可靠稳定。
一、恒压供水系统介绍
1.供水系统的基本构造和原理
以上是一套简单的供水系统基本组成,它主要由水泵将低处水通过加压抽到高处或其它远处的水池中,通过压力表来显示供水压力,当系统供水压力超过或低于设定压力时,再通过手动调节出水阀门来调节系统压力,以适应用户要求。在通过调节阀门开度来调节水压的过程中,水泵电机的实际转速保持不变。
2.供水系统的主要参数
(1)流量(Q):单位时间内通过管道截面的水流量,在管道截面不变的情况下,其大小与水泵转速成正比。Q∝N
(2)扬程(H):水泵能够扬水的高度,其大小与水泵转速平方成变比。H∝N²
(3)实际扬程:在供水系统中,实际的最高水位与最低水位之间的水位差,即为实际提升的水位。
(4)全扬程:水泵额定的供水能力。
(5)损失扬程:全扬程与实际扬程之差。
(6)阀门和管道系统对水流的阻力。
3.传统供水控制系统缺点分析
(1)水泵最初的设计都是按照系统的最大需求量考虑并留有一定裕量,而实际的供水量则比较小。传统的通过调节出水阀门来调节系统流量和压力的方法,无论阀门处于“开大”还是“关小”的位置,系统中水泵电机始终处于全速运行,此时电能损耗很大;
(2)用户的供水需求是随时变化的,这就要求随时都要有工作人员来进行调节,尤其当夜间供水时,更是极为不便;
(3)工频启动时,水泵电机在极短的时间内从静止状态加速到额定转速,会产生很大的冲击电流。另外在极短的时间内流量的巨大变化将引起管道的压强过高或过低的冲击,压力的冲击将对管道造成极大的破坏力,即所谓的“水锤效应”。压强过高,将引起管道的破裂 ;压强过低又会导致管道瘪塌,另外水锤效应也会损坏阀门和其他固定件。
(4)工频运行的电机直接启动、停止将使整个系统的供水量急剧上升、下降,造成供水系统的稳定性差。
二、变频恒压供水系统
变频恒压供水系统通过对水泵电机实行无级变速,依据用水量及水压的变化,通过变频器内部的PID运行,自动调节水泵转速来保持水压恒定,以满足用户用水的要求。
1. 恒压供水系统的组成及工作原理
由上图可知,变频恒压供水系统主要由变频器、PID控制器、压力传感器所组成,随着变频技术的不断发展,变频器的集成功能越来越多,绝大多数品牌变频器都内置有PID控制功能。
系统工作时,通过PID设定值与压力传感器反馈值的不断比较,来自动调节水泵的转速。当用水量大时,水压下降,水泵转速上升;当用水量小时,水压上升,水泵转速下降;当水压保持恒定不变时,水泵维持当前转速,系统稳定运行。
睡眠唤醒功能:当某一时段,完全不用水时,随着水压越来越高,变频器频率越来越低,当低于“睡眠频率”且持续一段时间后,变频器停止运行,系统处于“睡眠”状态;随着用户开始用水,处于“睡眠”状态的供水系统管道压力持续下降,当低于设定值后,变频器设定频率会逐渐增加,当频率高于“唤醒频率”且持续一段时间后,变频器重新投入运行,系统“唤醒”。
变频恒压供水的优点:
(1)变频恒压供水系统工作时,水泵转速随管道压力变化而变化,工作效率高,避免了多余的能量损耗。
(2)变频恒压供水系统,启停平缓,冲击电流小,还能最大程度消除“水锤效应”的影响。
(3)调试简单,维护方便。
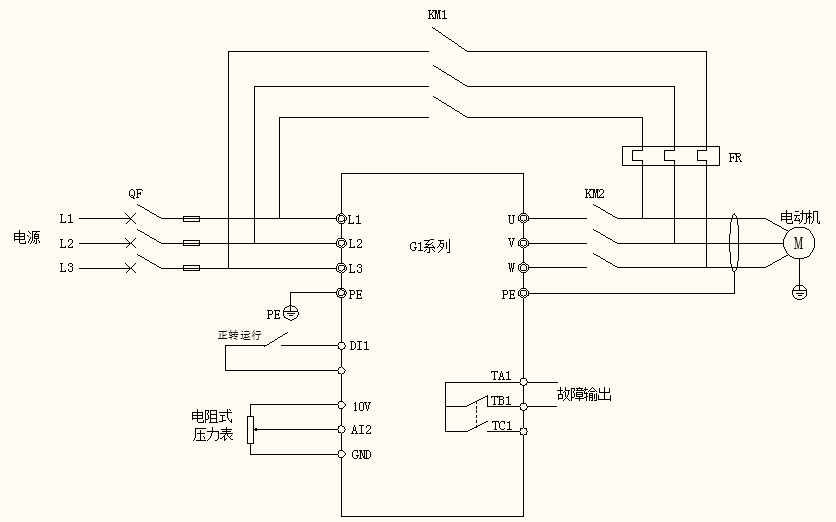
2. 变频恒压供水应用实例
天津某建筑工地,客户使用一台4.0kW深井水泵对楼层供水,随着楼层越建越高,就需要工作人员频繁的对出水阀门进行调节。由于出水阀门离水泵电控室较远,一旦停止用水,工作人员往往只会将阀门关闭,而让电机一直处于全速运行状态。水泵电机由于长时间空载运行,导致发热严重,已造成电机烧坏过两次。针对客户现场反映出来的问题,我们为客户制定了以下方案:
(1) 根据系统供水的控制要求,选用我司G1-4T0055矢量型通用变频器,独特的PID算法和“睡眠唤醒”功能,快速稳定的满足用户对恒压的要求;
(2) 为保证整个系统持续稳定的运行,主回路设计有工、变频切换电路,方便客户维护和检修;
(3) 选用电阻式压力表,通过变频器AI2(0-10V)输入端子作为压力反馈通道。
参数设置:
| 功能参数 | 设定值 | 说明 |
| P00.00 | 0 | V/F控制 |
| P00.01 | 1 | 外部端子启停 |
| P00.02 | 6 | 频率源选择PID |
| P10.01 | 40.0 | PID设定值 |
| P10.02 | 1 | PID反馈通道AI2 |
| P10.05 | 40.0 | PID比例系数 |
| P10.06 | 1.0 | PID积分常数 |
| P10.27 | 1 | PID停机运算 |
| P10.28 | 20.00 | 唤醒频率 |
| P10.29 | 5.0 | 唤醒等待时间 |
| P10.30 | 15.00 | 休眠频率 |
| P10.31 | 5.0 | 休眠等待时间 |
运行效果
(1)节电效果明显:现场压力恒定4kg,频率45Hz左右,初步计算节电率20%以上;
(2)压力调节迅速,系统稳定性好;
(3)冲击电流小,保护功能齐全,:全面的保护功能,针对深井泵的应用特点,对地保护和相间短路保护功能强大;启动过程中最大电流才8A,对设备冲击小,提升设备使用年限;
(4)独特的“睡眠唤醒”功能,保证无人用水时自动休眠,避免水泵过热损坏。
三、小结
相对传统供水控制系统,变频恒压供水系统可靠性强、效率高、节能效果显著、动态响应快,且自动恒压控制方式,不需要工作人员频繁操作,节省了人力,减轻了劳动强度,提高了供水品质,正得到广泛的应用。
邮箱:sales@huayuan-elec.com service@huayuan-elec.com
传真:0755-23505661
深圳市宝安区松岗街道沙浦社区松江路6号科创工坊2栋
