-
HSM1系列-60法兰HSM1系列伺服电机是我司的全新一代高性能产品,功率段覆盖0.1kw-7.5kw,可选配17位和23位绝对值编码器。该系列产品在过载能力、温升控制和定位精度等方面较上一代产品有显著提升,搭配HS100系列驱动器可满足各类自动化设备的应用要求。
-
产品特点
-
性能优异高性能电机控制算法,带宽可达2.5khz;支持高速脉冲输入,最高4M全高速DI/DO输入输出端子、高精度模拟量控制,满足更高性能要求 -
简单易用准确的惯量自识别和陷波自适应功能,帮助用户快速完成机器调试配套功能丰富的调试软件,帮助用户快速完成现场分析、参数调整采用type-c调试接口,便于调试控制,满足更高性能要求 -
智能高效丰富、灵活的位置规划和速度规划功能多种故障诊断和记忆功能,帮助用户快速完成故障排查 -
安全可靠内置DB保护功能自动相序识别功能,避免电机相序错误导致故障
-
-
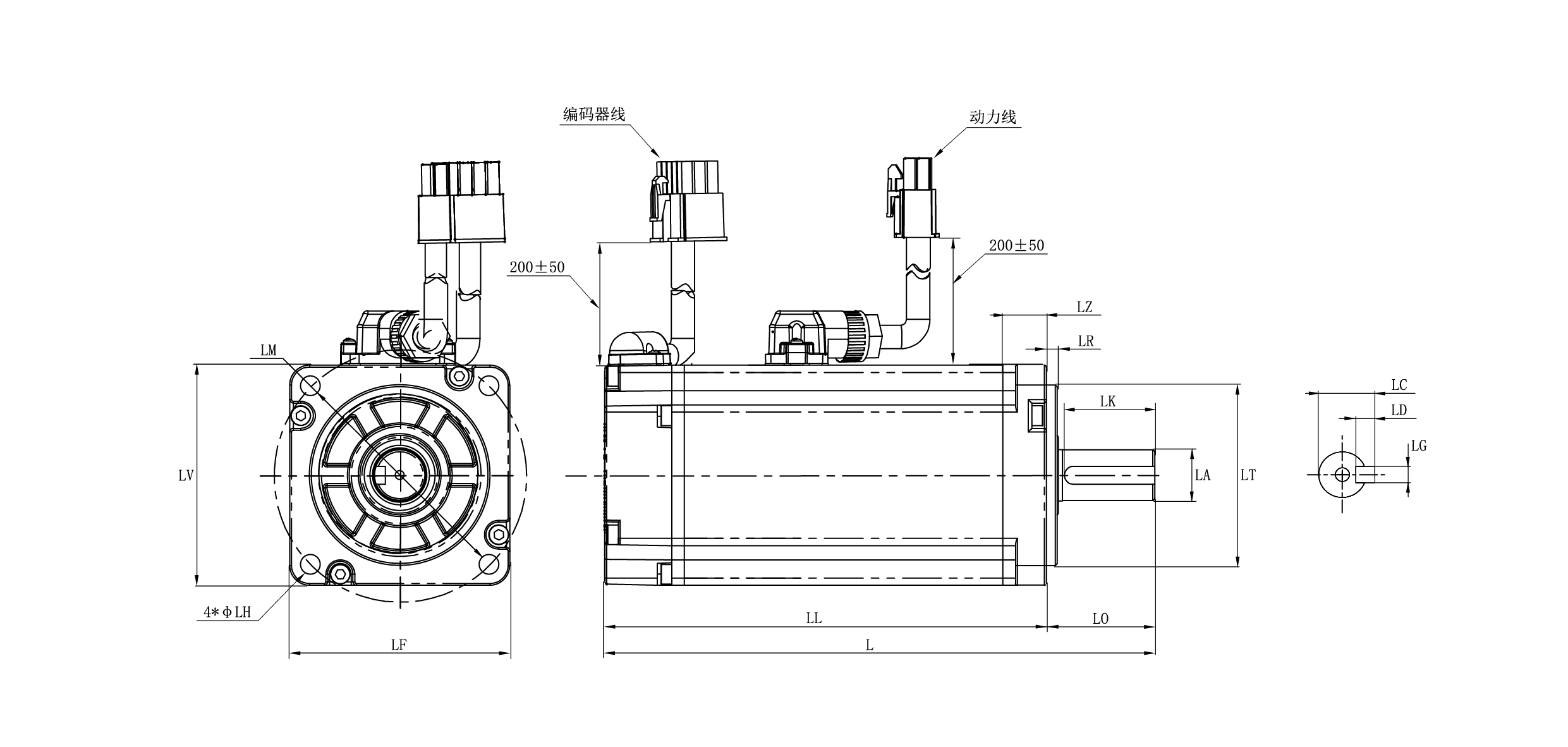
规格参数
单位:(mm)
功率 电机型号 LF L LL LO LZ LR LA LT LM LH LV LK LC LD LG 200W HSM1-60M2230202D5 60 110 80 30 8.5 3 14 50 70 5.5 75.5 25 16 5 5 400W HSM1-60M2230204D5 60 128 98 30 8.5 3 14 50 70 5.5 75.5 25 16 5 5
60法兰安装尺寸

-
产品详情图
-
资料下载
邮箱:sales@huayuan-elec.com service@huayuan-elec.com
传真:0755-23505661
深圳市宝安区松岗街道沙浦社区松江路6号科创工坊2栋
