-
HDM286 开环步进电机HD系列步进,包括HD系列驱动器、HDM系列电机,是我司基于自动化行业的安全稳定可靠、精准高效智能、高性价比、体积紧凑等多方面市场需求,针对性推出的单相、三相步进系统,完美驱动从35mm到130mm机座的全系列的两相、三相高品质步进电机。 HD系列步进,具有更高可靠、更大力矩、更高精度、更低发热、更平稳性等特点,广泛应用于电子、五金、木工、雕刻、玻璃、激光、喷绘、包装、纺织服装等自动化设备和生产线。
-
产品特点
-
宽电压/ 电流范围直流输入24-100Vdc,交流输入18-230Vac,峰值电流0.3-8.0A -
内置电机 参数自适应 自整定算法自动匹配不同电机,自动生成最优参数 -
微步细分数16档常规微步细分数,用户可在最大微步,细分范围内任意设定微步细分数 -
内置微步 细分算法低细分控制指令下、实现高细分运行效果, 提升电机运行平稳性 支持单脉冲/双脉冲/正交脉冲控制模式, 可接收差分和单端信号指令 光耦隔离输入,大幅提高抗干扰能力 -
电流设定值8档常规电流设定数,用户可在最大工作电流 范围内任意设定电流,分辨率0.1A -
高可靠性 设计选用优质的元器件和原材料, 严格的设计和生产管控 -
内置中低 速抑振算法抑制中低速共振、减小转矩脉动, 提升电机运行平稳性 -
高定制化 能力可根据不同的应用场景,提供不同的驱动器、 电机规格,及相关配件
-
-
型号命名
-
规格参数
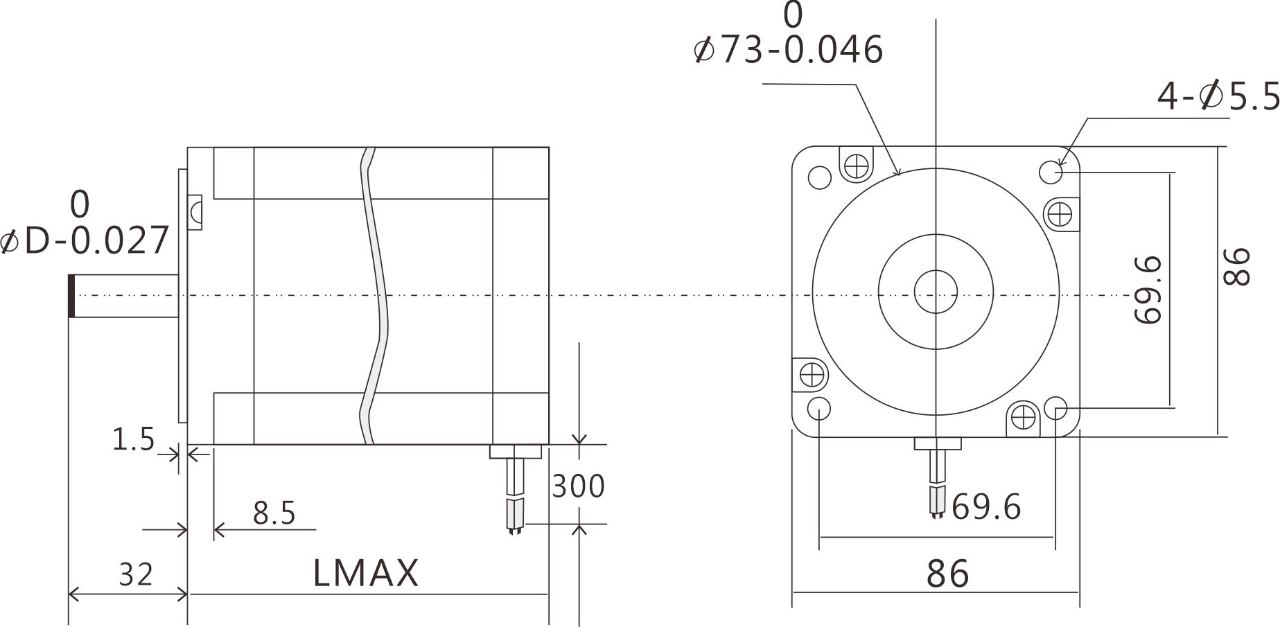
安装尺寸
-
产品详情图
邮箱:sales@huayuan-elec.com service@huayuan-elec.com
传真:0755-23505661
深圳市宝安区松岗街道沙浦社区松江路6号科创工坊2栋
